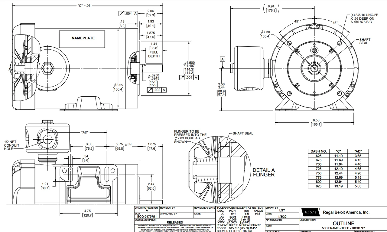
- 1 1/2 hp 1800 RPM, 4.8/2.4 amps 230/460 Volts 60 Hz. Three Phase
- NEMA 56C frame, C-face, Stainless Steel Keyed Shaft 5/8″ Diameter x 1 7/8″
- Service Factor: 1.15, Overload protection = None
- Rigid Base, Reversible, Ball Bearings, Class F Insulation
- 1 Year Manufacture Warranty,
Standard Stainless Steel wash-down motors are use for applications in wet environments. This is a three phase electric motor with a C-face mount. Shaft has keyway. Motor has 4 threaded bolt holes on face for mounting a pump or gear head to the motor. Bolt holes are 5 7/8″ on center measured across the shaft. Wiring diagram on motor name plate. TEFC = Totally Enclosed Fan-Cooled. 119528.00














Reviews
There are no reviews yet.