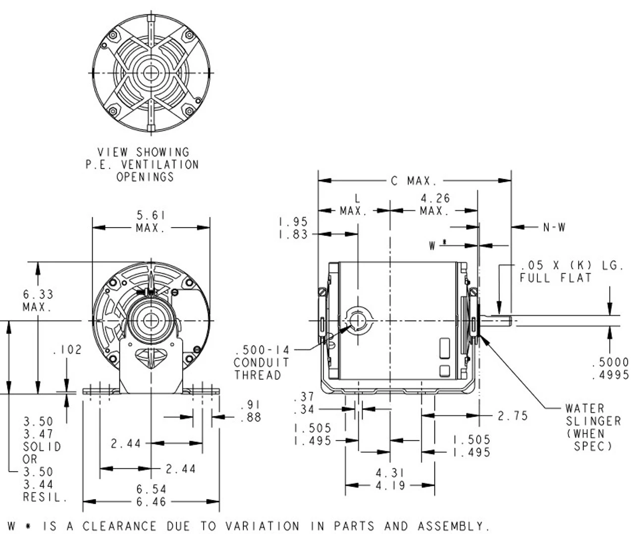
- 1/3 hp 1800 RPM, 6.2 amps, 115 Volts 60 Hz, Split Phase
- NEMA 56Z Frame flat Shaft 1 1/2″ x 1/2″ Diameter, 1 speed
- Service Factor = 1.0, Thermal Protection = Auto
- Resilient Base, Reversible, Ball Bearings, Class B insulation
- 1 Year Manufacture Warranty
Blower motors are used to blow air inside of buildings. Shaft may be vertical or horizontal. ODP = Open Drip Proof.
Marathon Model: 5KH39QN5528X
Replaces Century 807L
Replaces Dayton 5DUT5

















Reviews
There are no reviews yet.