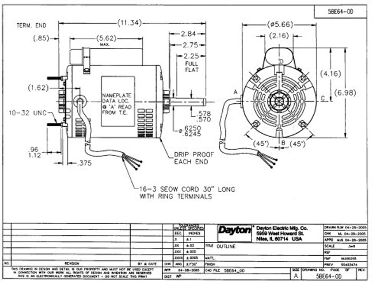
- 1/3 hpย 1140 RPM,ย 4.7 amps, 115 Volts 60 hz.
- 1-Speed, PSC Motor
- 5 5/8″ Diameter Motor
- Shaft 5/8″ x 2.75″
- Rotation = Reversible
- Ballย Bearings
- Length less shaft 8 19/32″
- Automatic Overload Protection
- 4 studsย opposite shaft end
- Service Factor 1.0
- Continuous Duty,ย Open Air Over, Class B Insulation
- CSA Certified, UL Recognized
- 1 Year Manufacture Warranty
Suggested replacement reference for:
Greenheck Motor 306116ย
Dayton Ventilatorย 4YC50

















Reviews
There are no reviews yet.