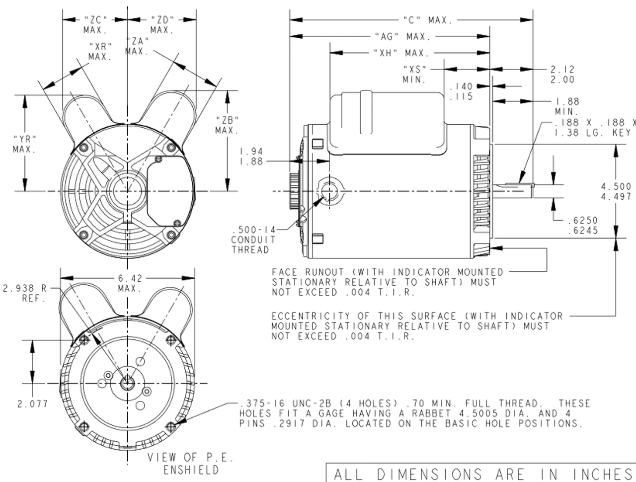
- 3 hp 3600 RPM, 29.4/14.7 amps, 115/230 volts, Capacitor Start / Capacitor Run
- NEMA 56C Frame, 5’8″ dia. by 1-5/8″ long keyed shaft, 60 Hz
- Service Factor: 1.15, Overload protection: Auto
- No base, Reversible rotation, Ball Bearings; Class B Insulation
- 1 Year Manufacture Warranty
Spa pump motor. Not for pool use due to lack of suction cut-off. ODP = Open Drip Proof,
Marathon # 5KCR48TN2142T, C340
Replaces Leeson A6K34DC32A, E113334.00, E113334

















Reviews
There are no reviews yet.