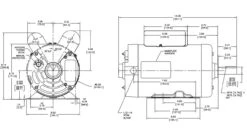
- 5 hp 3600 RPM, 19.7 amps, 230 Volts 60 Hz, Capacitor Start / Capacitor Run
- NEMA 56 Frame, Shaft 7/8″ X 2-1/4 Diameter, 1 speed
- Service Factor = 1.0, Thermal Protection = Manual
- Rigid Base, Reversible rotation, Ball Bearings, Class B insulation
- 1 Year Manufacture Warranty
For use on air compressors found in pressure washer units. Shaft should be horizontal. ODP = Open Drip Proof. CP1502L

















Reviews
There are no reviews yet.