- 1/15 hp, 13 RPM, 1.3 amps, 115 Volts 50/60hz.
- 84 Torque inch pounds
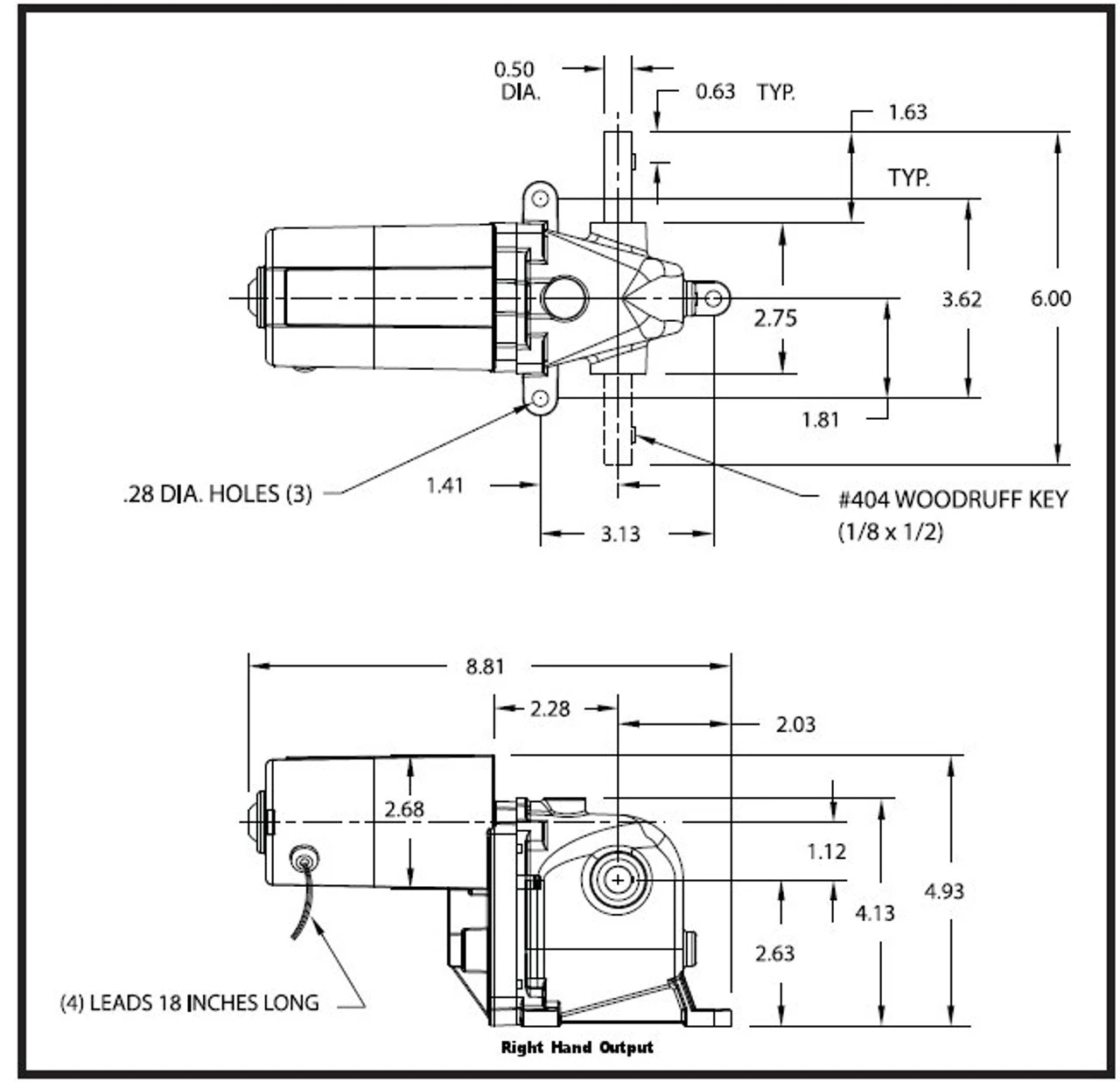
- Right Hand Output Viewed Facing Lead End of Motor * Rotation = Reversible
- Shaft: 1/2″ x 1 5/8″
- Over Hung Pounds = 100
- One Year Manufacture Warranty
Optional Speed Control Model 5JJ60, Brush life approximately 300 hours, replacement brush Model 1YNR3 available, Replacement motor only for gear head available Model 1MDU9. (2Z799 discontinued, this is the replacement motor)
Notice: This item has been restricted by Canada, we cannot sell or ship this product into Canada















Reviews
There are no reviews yet.