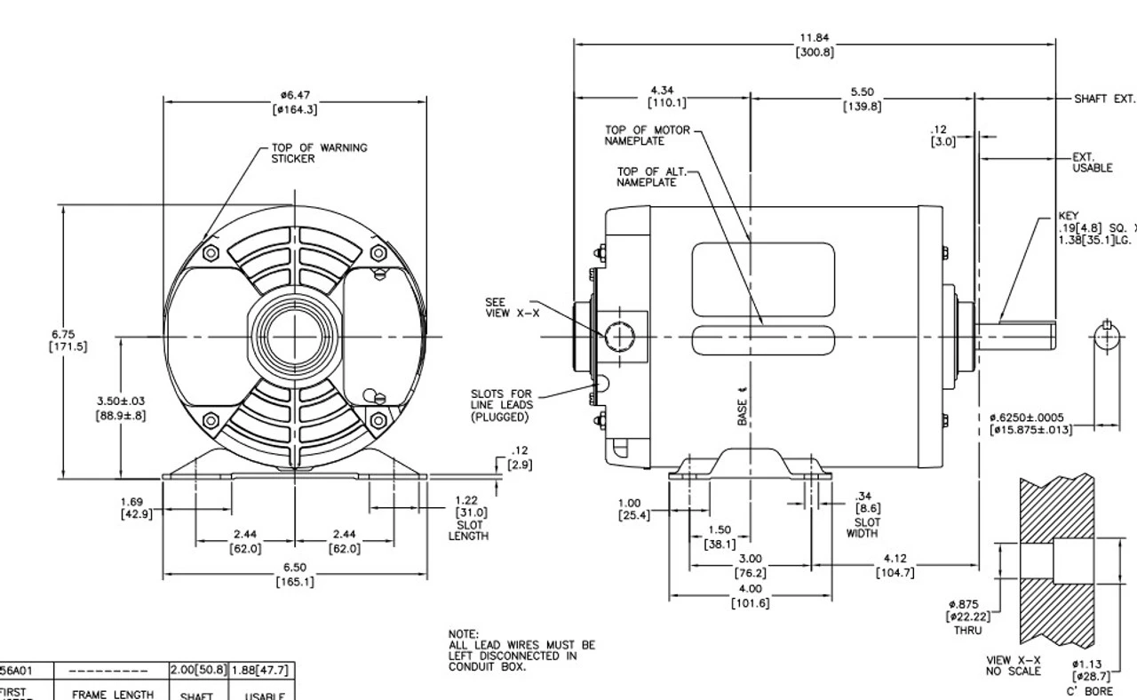
- SPL hp 1800 RPM, 3.6/1.8 amps, 200-230/460 Volts 60 Hz, 3 phase
- NEMA 5Y Frame Keyed Shaft 1 7/8″ x 5/8″ Diameter, 1 speed
- Service Factor = 1.15, Thermal Protection = Auto
- Rigid Base, Reversible, Ball Bearings, Class B insulation
- 1 Year Manufacture Warranty
Air compressor motors have a non-constant special (SPL) horsepower because they operate intermittently under a ramped load making for a ramped hp. Compare these motors using amp rating. FB3154. Replaces Brand C/BDP motors.
















Reviews
There are no reviews yet.