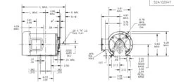
- 1/6 hp 1800 RPM, 4.0 amps, 115 Volts 60 Hz,Split Phase
- NEMA 48 Frame Flat Shaft 1 5/8″ x 1/2″ Diameter, 1 speed
- Service Factor = 1.0, Thermal Protection = Auto
- Resilient Base, Reversible, Ball Bearings, Class B insulation
- 1 Year Manufacture Warranty
Blower motors are used to blow air inside of buildings. Shaft may be vertical or horizontal. TEFC = Totally Enclosed Fan-Cooled. 5KH32EN72X

















Reviews
There are no reviews yet.