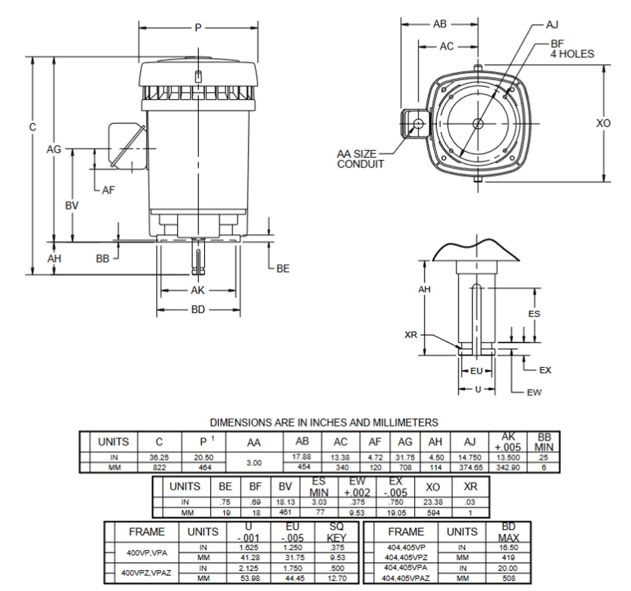
- 100 HP 1800 RPM, 227/114 amps, 230/460V 60 Hz. 3 Phase
- NEMA 404VPZ Frame, RVS type, 16 1/2″ Dia. Base, TEFC
- 1.15 Service Factor, Class F insulation, Thermal Protection: None
- Non-Reversible Ratchet Rotation, Weather Protected Enclosure
- P-Base Mounting, Ball Bearings, Normal Thrust
Vertical pump motor for use on turbine, mix flow, and propeller pumps. TEFC = Totally-Enclosed Fan-Cooled, All cast iron construction, Inverter Duty. 1 Year Manufacture Warranty. FK23













Reviews
There are no reviews yet.