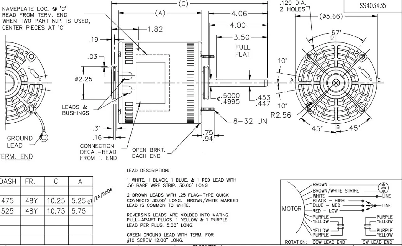
- 1/2 hp 1075 RPM, 6.2 amps, 115 Volts 60 Hz, Permanent Split Capacitor (PSC)
- NEMA 48Y Frame Keyed Shaft 1/2″ Diameter x 4″
- Service Factor = 1.15, Thermal Protection = Automatic
- No Base, Reversible, Ball Bearings, Class B insulation
- 1 Year Manufacture Warranty
Blower motors are used to blow air inside of buildings. Shaft may be vertical or horizontal. OPAO = Open Open Air Over so motor must be in air-stream. 048A11O1755















Reviews
There are no reviews yet.